×
Audiogon
The world's largest high-end audio community.
Forum
The conversation begins and ends here.
Bluebook
The right price. Every time.
Merch
Rep the community and hobby you love so much.
SIGN UP
LOG IN
Audiogon
The world's largest high-end audio community
Forum
The conversation begins and ends here.
Bluebook
The right price. Every time.
Merch
Rep the community and hobby you love so much.
Systems
Tags
Opinions Please
Ever Evolving
Done For Now
Budget Minded
All Out Assault
Getting Started
Home Theater
Secondary Rigs
Audioquest
mcintosh
View All Tags
Room Size
Small
Medium
Large
X large
Comments
Go
SIGN UP
LOG IN
Systems
Tags
Room Size
Small
Medium
Large
X large
Comments
a System
by
imhififan
on
December 6, 2021
Description
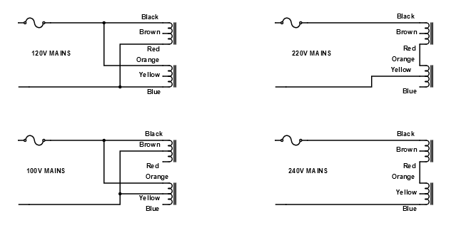
Accuphase E-370 Mains Voltage
100V Mains = J1 , J2 , J3
120V Mains = J2 , J4 , J5
220V Mains = J1 , J6
240V Mains = J4 , J6
Read more...
Components
Toggle details
Comments
0
Sign in to comment
397
0
0